21世纪的今天,随着我国国民经济发展、人民生活水平改善。人民群众对空调的要求从基本的制冷(制热)变成了对舒适度的更高追求。而家用中央空调也正因此,慢慢成为家庭品质装修的“标配”。那么家用中央空调系统有哪些分类呢?
1.水系统中央空调
定义:水系统中央空调是由热源或(和)冷源、管道系统、和末端组成。制冷时,冷媒在冷源得到冷量温度降低,由管道系统输送到末端装置,在末端装置内向室内供冷后温度升高再回到冷源,制热时相反。
应用场景:独栋别墅、集中供冷小区等。
水系统特点:初投资较低、使用效果舒适;但安装难度较大、后期使用及维护费用较高。
2.冷媒系统中央空调
定义:冷媒系统中央空调是指空调房间的负荷由制冷剂直接负担的系统。蒸发器或冷凝器直接从房间吸收(或放出)热量。
应用场景:电梯公寓、洋房、别墅等。
冷媒系统特点:安装快捷灵活、使用稳定可靠、节能舒适;但初投资较高。
冷媒系统中央空调分类:
1).一拖一(分体式)
一拖一也可称为分体式,顾名思义就是由一台外机带动一台内机。
特点:内机形式有天花式、风管式、壁挂式、柜式,有管长限制,一般不超过15米。
应用:家用空调室内设备隐藏之后更加美观,所以装修吊顶的方式决定了空调内机的形式。比如家里只有客餐厅考虑吊顶,那么最佳方案就是客餐厅选用风管式内机,管路和内机都能隐藏在吊顶中,外形美观,使用舒适。
详见下图:

2)一拖多
a) 多管制
一台外机带多台内机,每台内机的冷媒管路都单独连接到室外机。
特点:内机形式有风管式、天花式、壁挂式等,室外机集中处理空调负荷;但有管长限制,一般管长总和不超过65m,单管长不超25m。
应用:多管制系统相对一拖一的主要优势在于只需要一台外机,相对多台外机此系统的噪音源更少。住宅外立面更加美观。在空调使用区域较大,时间较长的时候,更加的经济实用。
详见下图:

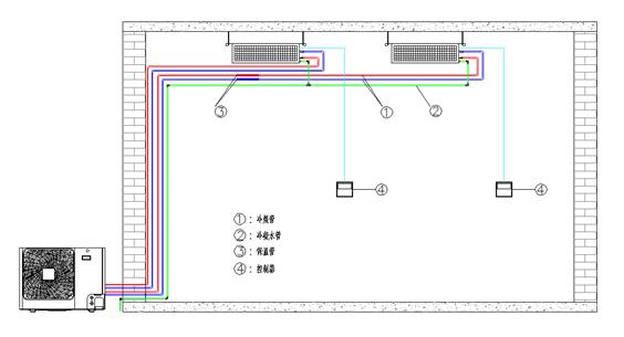
b) 单管制
一台外机带多台内机,室外机与室内机之间只有一组主管道,每台室内机使用分歧管连接到主管。
特点:内机形式有风管式、天花式、壁挂式等;室外机集中处理空调负荷、安装灵活、单管管长最高可达120m。
应用:单管制系统只有需要一台外机,减少噪音源并保证了住宅外立面美观;内机的功能样式更加个性灵活、配管长度更长,应对大户型式更加从容;是目前家用中央空调主力中的主力。
详见下图:
